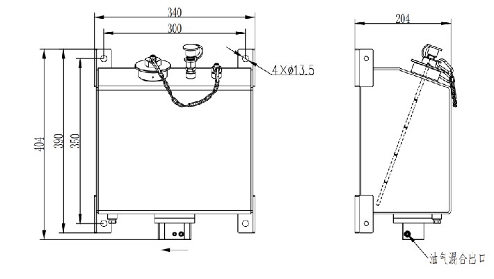
Pompe de lubrification de bride de roue AOP
La pompe fonctionne en dosant le lubrifiant homogénéisé, avec le volume préréglé au niveau de l'unité de pompe. En utilisant l'air comprimé comme moyen de transport, il délivre le lubrifiant à travers les distributeurs d'écoulement aux buses de pulvérisation, où il est appliqué uniformément sur la bride de roue. Le système ne nécessite qu'une seule ligne pour transporter à la fois du lubrifiant et de l'air comprimé.
Lorsque les conditions d'écoulement dans les lignes de sortie sont similaires, le mélange air-lubrifiant est divisé également au sein du distributeur de flux. Le système complet se compose d'un réservoir, d'une pompe à piston, de distributeurs de débit et de buses de pulvérisation correspondantes. Tous les composants mobiles sont intégrés dans le module de lubrification, facilitant l'accès et le remplacement. Étant donné que ni les distributeurs de débit ni les buses de pulvérisation ne contiennent de pièces mobiles, le temps et les coûts de maintenance sont considérablement réduits.
CN
EN
ru
fr
de
es
pt
ar
hi
id
tr
it
pl
nl

